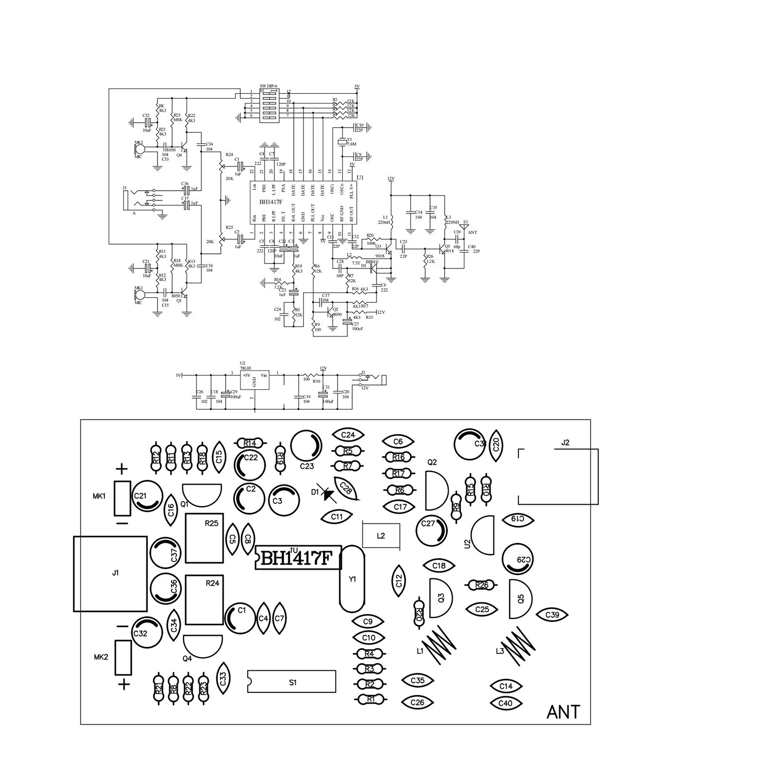
This this DIY BH1417F FM Transmitter Kit
Experience the joy of building your own FM transmitter with this DIY kit featuring the renowned BH1417F chip. Designed to operate within a versatile frequency range of 87.7MHz to 107.9MHz, it allows you to easily select your preferred low-end (87.7–88.9MHz) or high-end (106.7–107.9MHz) channels. Built with precision components, including a copper-colored inductor and vibrant blue electrolytic capacitors, it ensures stable, high-quality stereo transmission with 40dB separation. The simple layout and neatly organized PCB provide an engaging assembly process. Once assembled, you’ll enjoy broadcasting your favorite music or TV audio wirelessly. It’s ideal for beginners and seasoned enthusiasts who appreciate hands-on projects and reliable, professional results.
Keys features of the this FM Transmitter Kit
- Supports frequency range of 87.7MHz to 107.9MHz with selectable low and high-end bands for flexible broadcasting options.
- Powered by a 12V DC supply, it offers a low power output of 0.1W, making it suitable for small-scale wireless audio applications around your home or campus.
- Features the BH1417F chip that provides a stereo separation of 40dB and a total harmonic distortion of only 0.3%, ensuring crisp audio quality.
- Includes essential components such as a copper-colored inductor, blue electrolytic capacitors, ceramic capacitors, and black connectors for robust performance and easy assembly.
- Compact size designed for DIY projects, perfect for creating a custom wireless music transmitter or TV audio broadcast station.
- Technical specs include RF output level at 100dB, a transmit power of 5V at 100mA, and compatible with various DIY audio projects. Ideal for hobbyists and radio enthusiasts alike.
Buy this this BH1417F FM Transmitter Kit now – start broadcasting today!
Step into the world of wireless audio broadcasting with confidence. Whether you're customizing a campus radio station, setting up a personal broadcast network, or exploring electronics, this kit makes the process straightforward and rewarding. Enjoy the satisfaction of assembling a professional-quality transmitter, tailored precisely to your needs, with reliable technical specifications and easy-to-follow components. Elevate your DIY projects by adding this versatile FM transmitter to your collection and experience the blend of technical excellence and hands-on fun.













